有关几项声学特性指标的测量结果及测量结果的比较
1970/01/01 19:09 点击:867 / 回复:0
[摘要] 公共广播系统声学特性指标的测试是一项较复杂和繁琐的工作,到目前为止还没有相类似的文件和资料可供参考。笔者根据“公共广播系统工程技术规范(草案)”第6章“公共广播系统声学特性的测量方法”的规定和要求,选取了几个有代表性的公共广播系统,并在每个公共广播系统内选取有代表性的广播服务区,分别对这些广播服务区内的最大声压级、声场不均匀度、漏出声压级、系统噪声以及传输频率特性这几项声学特性指标进行了测量,这次测试的目的是为了验证“公共广播系统工程技术规范(草案)”有关声学特性指标设定的正确性。
[关键词] 最大声压级Maximum Sound Pressure Level, 声场不均匀度 Sound distribution, 漏出声压级Leak Out Sound Pressure Level, 系统噪声 Noise of System, 传输频率特性Transmission Frequency Response
根据“公共广播系统工程技术规范(草案)”第4章“公共广播系统的声学特性指标”和第6章“公共广播系统声学特性的测量方法”的规定和要求,我们对广州市声雅公司厂区的公共广播系统进行了声学特性的测试。
1、 此广播系统由以下设备组成:智能广播中心MAG1189一台、CD播放器MP8807C、双
通道功放MAG1325三台、喇叭(包括天花喇叭、单面音柱、双面音柱、大号角等)、传输线(干线)1.5mm²、传输线(分支线)0.75mm²。
图1 厂区公共广播系统连接图

2、测试信号和设备:测试信号用宽带粉红噪声,测试设备用实时音频测试仪(PERSONAL AUDIO ASSISTANT)PHONIC PAA2。
3、测试项目:此次测试的系统是属于同时具有一级背景音乐播放和二级业务性广播的广播系统,本次测试的项目有最大声压级、声场不均匀度、漏出声压级、系统噪声以及传输频率特性。
4、测试条件和要求:测试在空场的条件下进行,系统置于额定输出(100V)下降6dB(50V)的位置。
5、测量方法及测量结果:厂区公共广播系统共有六个分区,其中有室内(厅堂)广播分区(如办公楼内的各办公室、生产车间以及仓库等)、走廊(员工宿舍的走廊)和室外(广场)广播分区(厂区道路和花园)。因此,在测量广播系统的声学特性时,要选取有代表性的区域或地点进行布点测量。我们选择了办公楼内的品质部、电子车间和喇叭车间作为厅堂广播分区的代表性区域;员工宿舍的走廊作为走廊广播的代表性区域;厂区的主通道和后广场作为广场广播的代表性区域,用实时音频测试仪,分别对以上区域进行最大声压级、声场不均匀度、漏出声压级(个别区域进行测量)、系统噪声以及传输频率特性等各项声学指标的测量。
5.1 最大声压级的测量
5.1.1 厅堂广播服务区的测量
我们选择的三个代表性区域的布点情况以及在各个点上测得的最大声压级的数据,如下所示:
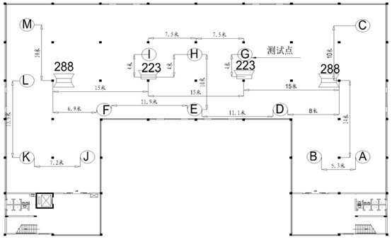
5.1.1.1 办公楼品质部
图2 办公楼品质部测试点分布图

表1 各测试点测量值一览表
|
测试点
|
A
|
B
|
C
|
D
|
E
|
F
|
G
|
H
|
|
声压级*(dB)
|
86
|
86
|
86
|
86
|
88
|
86
|
87
|
85
|
* 测量值为C计权值。
测试结果符合“公共广播系统工程技术规范(草案)”的指标要求。
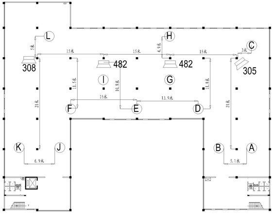
5.1.1.2 电子车间

图3 电子车间测试点分布图
表2 各测试点测量值一览表
|
测试点
|
A
|
B
|
C
|
D
|
E
|
F
|
G
|
H
|
I
|
J
|
K
|
L
|
M
|
|
声压级*(dB)
|
82
|
83
|
85
|
86
|
86
|
87
|
88
|
86
|
89
|
86
|
85
|
86
|
84
|
* 测量值为C计权值。
测试结果符合“公共广播系统工程技术规范(草案)”的指标要求。
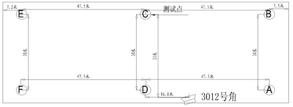
5.1.1.3 喇叭车间

图4 喇叭车间测试点分布图
表3 各测试点测量值一览表
|
测试点
|
A
|
B
|
C
|
D
|
E
|
F
|
G
|
H
|
I
|
J
|
K
|
L
|
|
声压级*(dB)
|
78
|
81
|
83
|
83
|
84
|
86
|
87
|
83
|
87
|
81
|
80
|
83
|
* 测量值为C计权值。
测试结果符合“公共广播系统工程技术规范(草案)”的指标要求。
5.1.2 走廊广播服务区的测量
员工宿舍走廊的布点情况以及在各个点上测得的最大声压级的数据,如下所示:

图5 走廊广播服务区测试点分布图
表4 各测试点测量值一览表
|
测试点
|
A
|
B
|
C
|
D
|
|
声压级*(dB)
|
80
|
90
|
84
|
90
|
* 测量值为C计权值。
测试结果符合“公共广播系统工程技术规范(草案)”的指标要求。
5.1.3 广场广播服务区的测量
厂区的主通道和后广场的布点情况以及在各个点上测得的最大声压级的数据,如下所示:
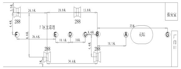
5.1.3.1 厂区的主通道

图6 厂区的主通道测试点分布图
表5 各测试点测量值一览表
|
测试点
|
A
|
B
|
C
|
D
|
E
|
F
|
G
|
|
声压级*(dB)
|
81
|
88
|
84
|
87
|
85
|
86
|
76
|
* 测量值为C计权值。
测试结果符合“公共广播系统工程技术规范(草案)”的指标要求。
5.1.3.2 厂区后广场

图7 厂区后广场测试点分布图
表6 各测试点测量值一览表
|
测试点
|
A
|
B
|
C
|
D
|
E
|
F
|
|
声压级*(dB)
|
81
|
75
|
83
|
86
|
78
|
75
|
* 测量值为C计权值。
测试结果符合“公共广播系统工程技术规范(草案)”的指标要求。
5.2 声场不均匀度的测量
表7 办公楼品质部广播服务区的测量
|
测试点序号
|
A
|
B
|
C
|
D
|
E
|
F
|
G
|
|
声压级(dB)
|
|
|
|
|
86.3
|
|
83
|
|
测试点序号
|
H
|
I
|
J
|
K
|
L
|
M
|
N
|
|
声压级(dB)
|
|
|
|
|
|
|
|
|
指标要求
|
1 k~6.3kHz范围内≯8 dB
|
||||||
|
测试结果判定
|
合格
|
||||||

表8 电子车间广播服务区的测量
|
测试点序号
|
A
|
B
|
C
|
D
|
E
|
F
|
G
|
|
声压级(dB)
|
|
|
|
|
|
|
|
|
测试点序号
|
H
|
I
|
J
|
K
|
L
|
M
|
N
|
|
声压级(dB)
|
|
82.8
|
|
83.6
|
|
|
|
|
指标要求
|
1 k~6.3kHz范围内≯8 dB
|
||||||
|
测试结果判定
|
合格
|
||||||
表9 走廊广播服务区的测量
|
测试点序号
|
A
|
B
|
C
|
D
|
E
|
F
|
G
|
|
声压级(dB)
|
77.9
|
87.6
|
|
|
|
|
|
|
测试点序号
|
H
|
I
|
J
|
K
|
L
|
M
|
N
|
|
声压级(dB)
|
|
|
|
|
|
|
|
|
指标要求
|
1 k~6.3kHz范围内≯8 dB
|
||||||
|
测试结果判定
|
不合格(斜体字为不合格点)
|
||||||
表10 厂区主通道广播服务区的测量
|
测试点序号
|
A
|
B
|
C
|
D
|
E
|
F
|
G
|
|
声压级(dB)
|
|
82.6
|
|
81.4
|
|
|
|
|
测试点序号
|
H
|
I
|
J
|
K
|
L
|
M
|
N
|
|
声压级(dB)
|
|
|
|
|
|
|
|
|
指标要求
|
文章:mobedu [1970/01/01 19:09]
评论
相关文章
|
