红外遥控开关电路
1970/01/01 19:05 点击:744 / 回复:0
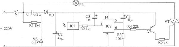
本例介绍的红外遥控开关,可使用电视机、影碟机、录像机等家电的遥控器控制其开与关,而不需专用配套的遥控器。该遥控开关可用于控制照明灯和排风扇等电器。该红外遥控开关电路由电源电路、遥控接收电路、计数器电路和控制执行电路组成,如图所示。
元器件选择 R1~R5选用1/4W碳膜电阻器或金属膜电阻器。 C1选用耐压值为400V以上的涤纶电容器或CBB电容器;C2~C4均选用耐压值为16V的铝电解电容器。 VD选用1N4007型硅整流二极管。 VS选用1/2W、6.2V硅稳压二极管。 V选用S9015或S8550、C8550型硅PNP晶体管。 VT选用3A、400V双向晶闸管。 IC1选用电视机用微型一体化封装红外接收头(使用时加罩或加半透明滤色片),IC2选用CD4024型7位二进制串行计数器集成电路。
文章:youk [1970/01/01 19:05]
评论
