登录
|
注册
[
查看新帖
|
最新回复
]
首页
业界新闻
公共广播论坛
奥运专题
世博解读
人才交流
营销知识
名人博客
下载专区
付费投稿
公共广播设备知识及应用
公共广播周边设备
公共广播数码多址
公共广播功放
公共广播扬声器
公共广播智能化
家用中央音响
公共广播网络化
公共广播工程知识
公共广播标书制作
公共广播工程维护
公共广播工程设计
公共广播工程案例
公共广播工程施工
公共广播故障排除
公共广播工程验收
公共广播产品设计
电子技术基础
电路设计
电声技术基础
软件设计
产品设计基础
公共广播电路图集
广播设计辅助工具
公共广播基础知识
公共广播技术纵横
公共广播标准规范
公共广播历史
公共广播专业论文
公共广播新技术
公共广播专家介绍
公共广播国外技术
公共广播视频空间
公共广播技术网 >>
公共广播产品设计
>>
电路图集
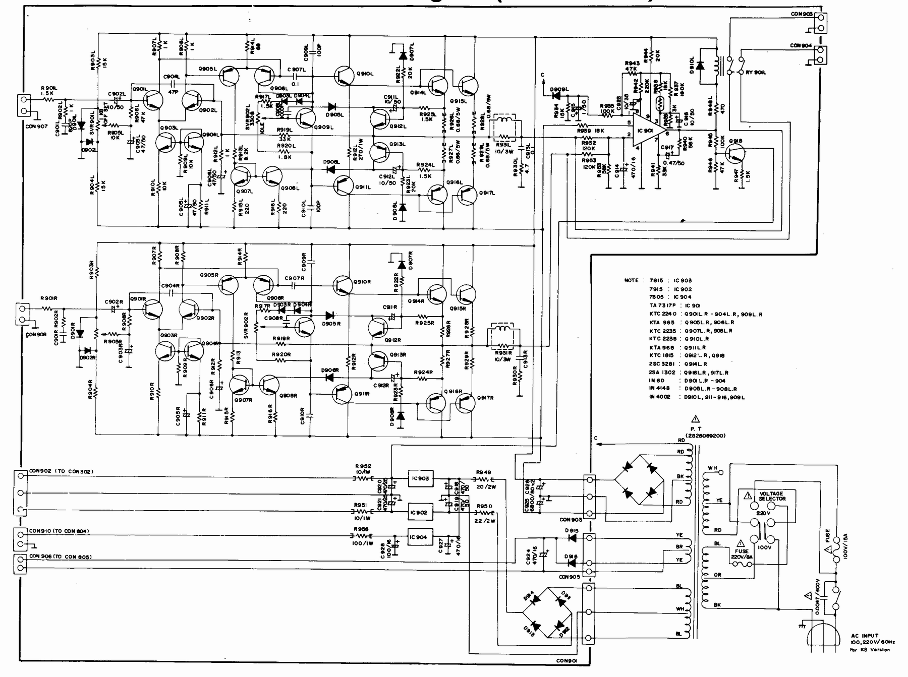
>> 英桥专业功放原理图2
英桥专业功放原理图2
1970/01/01 19:06 点击:3077 / 回复:0
文章:
youk
[1970/01/01 19:06]
评论
相关文章
双声道集成功放IC TDA7265功放电路图
英桥专业功放原理图2
公共广播大功率功放原理图
英桥专业功放原理图1
飞利浦SW2000有源重低音音箱功放电路图一
威廉逊电子管放大器电路(成品功放电路)
MA920功放原理图
MA320功放原理图
双声道集成功放IC TDA7265功放电路图
英桥纯后级广播功放原理图
场效应管50W音频功率放大电路
公共广播电话接口器电路图
分立功放ocl电路图
POP60带收音卡座功放原理图
AN7100S是双声道音频功率放大电路
AN7113S是音频功率放大电路
红外遥控开关电路
CX20172应用电路
粤ICP备05077917号