广播功放的发展过程与电路种类(一)
1970/01/01 19:07 点击:1254 / 回复:0
高波
1.广播功放:用于公共广播系统的专业音频功率放大器。公共广播系统简称PA(Public Address)系统,它是一种具有特殊应用范围的音响系统,广泛用于工矿企业、车站、机场、码头、商场、学校、宾馆、大楼、旅游景点、部队营房等场所。其特点是,服务区域大,传播距离远;播送内容以语言为主、音乐为辅;传声器与扬声器不在同一声场中,故没有声反馈为题;为了减少传输线的功率损耗,一般采用70V或100V的定压(高阻抗)传输,更高的如120V或240V定压输出也时有应用。
由于广播功放具有以上特殊应用,从而决定了广播功放的以下特点:
1.功率大:服务区域大、负载重
2.中频好:以人声为主、背景音乐为辅
3.温升小、效率高:长时间工作,节能高效
4.高可靠性:重要场所,保证能长时间可靠工作;保护功能好,无安全隐患
5.能定压传输:远距离高压传送能减小功率损耗
6.频响和信噪比要求一般
广播功放的电路种类
•功率放大电路的特点
•功率放大器的分类
•B类互补对称功放
•AB类互补对称功放
•采用复合管的互补对称功率放大电路
•功率放大器的应用实例
•D类音频功率放大器
•功率放大器应用中的几个问题
功率放大电路
功率放大电路与电压放大器的区别是,电压放大器是多级放大器的前级,它主要对小信号进行电压放大,主要技术指标为电压放大倍数、输入阻抗及输出阻抗等。而功率放大电路则是多级放大器的最后一级,它要带动一定负载,如扬声器、电动机、仪表、继电器等,所以,功率放大电路要求获得一定的不失真输出功率。
1. 功率放大电路的特点
(1)输出功率足够大。为获得足够大的输出功率,功放管的电压和电流变化范围应很大。为此,它们常常工作在大信号状态,接近极限工作状态。
(2)效率高。功率放大器的效率是指负载上得到的信号功率与电源供给的直流功率之比。对于小信号电压放大器来讲,由于输出功率较小,电源供给的直流功率也小,因此效率问题就不需要考虑。
(3)非线性失真小。功率放大器是在大信号状态下工作,电压、电流摆动幅度很大,极易超出管子特性曲线的线性范围而进入非线性区造成输出波形的非线性失真。因此,功率放大器比小信号的电压放大器的非线性失真问题严重。在实际应用中,有些设备对失真问题要求很严,因此,要采取措施减小失真,使之满足负载的要求。
(4)保护及散热。功放管承受高电压、大电流,因而功放管的保护及散热问题也应重视。功率放大器工作点的动态范围大,因此只适宜用图解法进行分析。
功率放大器一般是根据功放管工作点选择的不同进行分类的。有A类、B类及AB类功率放大器。当静态工作点Q设在负载线性段的中点,整个信号周期内都有电流IC通过时,如图2.1(a)所示,称为A类功放。若将静态工作点Q设在横轴上,则IC仅在半个信号周期内通过,其输出波形被削掉一半,如图2.1(b)所示,称为B类功放。若将静态工作点设在线性区的下部靠近截止区,则其IC的流通时间为多半个信号周期,输出波形被削掉一部分。如图2.1(c)所示,称为AB类功放。
.jpg)

图2.1(b) B类功率放大电路

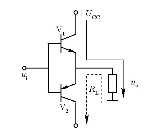
如果电路处在A类放大状态,则静态工作电流大,因而效率低。若用一个管子组成AB类或B类放大电路,就会出现严重的失真现象。B类互补对称功放,既可保持静态时功耗小,又可减小失真,如图3.1所示。

选用两个特性接近的管子,使之都工作在B类状态。一个在正弦信号的正半周工作,另一个在负半周工作,便可得到一个完整的正弦波形。图3.2为正半周时的工作情况。

B类互补对称电路效率比较高,但由于三极管的输入特性存在有死区,而形成交越失真。采用AB类互补对称电路(如图4.1所示),可以克服交越失真问题。其原理是静态时,在V1、V2管上产生的压降为V3、V4管提供了一个适当的正偏电压,使之处于微导通状态。由于电路对称,静态时iC1=iC2,io=0,Uo=0。有信号时,由于电路工作在AB类,即使ui很小,也基本上可线性放大。

但上述偏置方法的偏置电压不易调整,而在图4.2所示电路中,设流入V4管的基极电流远小于流过R1、R2的电流,则可求出Uce4=UBE4(R1+R2)/R2。因此,利用V4管的UBE4基本为一固定值(0.6~0.7V),只要适当调节R1、R2的比值,就可改变V1、V2管的偏压值。这种方法常称为UBE扩大电路,在集成电路中经常用到。

文章:youk [1970/01/01 19:07]
评论
