公共广播技术网 >> 公共广播技术纵横 >> 公共广播历史 >> 我们制成了钢丝录音、收音、扩音三用机-Ⅰ
我们制成了钢丝录音、收音、扩音三用机-Ⅰ 1970/01/01 19:07 点击:897 / 回复:0

 

我们制造的钢丝录音、收音、扩音三用机,是根据学校里广播的需要而进行设计的。在制作过程中,参考了许多书籍并进行了多次修改,终于在学校和老师们的关心和支持下制造成功了。
这部机器包括:1、收、扩音机和2、录音机机械构造两部分。
 
收、扩音部分
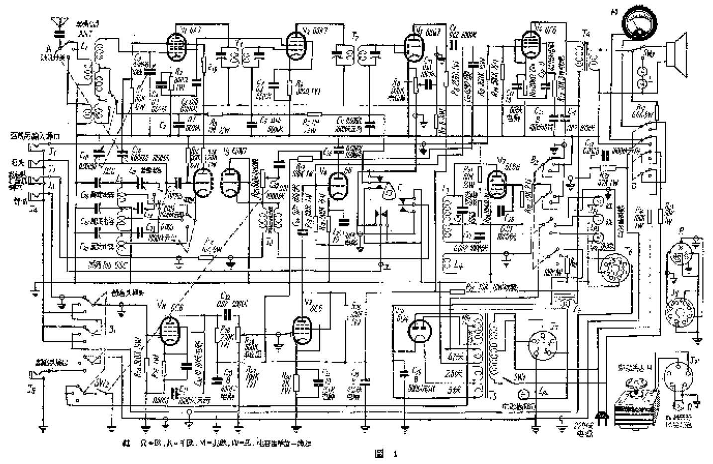
这部分主要包括低头放大器,超音频振荡器和外差式收音装置(图1)。通过机上各个开关的控制,就可以收听无线电广播,用作小型扩音机播送语言报告或唱片,也可以把收到的广播或自己播送的节目进行录音、放音。第二低放级电子管56输出附有插口J1,可以把它接到其它扩音设备上作前置放大级,录音头也有单独的输出插口J5,必要时可以单独输出,直接接到大型扩音机的话筒插口供全校广播。这部机器消耗电力约100瓦。
 
1.线路简单说明收音部分由6A7变频,6SN7振荡, 6SK7中放和6SQ7检波4个电子管组成。采用6A7和6SN7是因为当时我们没有适当的电子管,所以6SN7只用半只,另半只接地。如能用6SA7管代替它们,比较合理。
由56和6F6两管组成的低频放大器,是收音和录音的公用部分。放唱片时又接入 6SQ7管的三极部分作前置放大级。R6是这一部分的音量控制器。
当不需要收音时,可以用选择开关E把6SQ7的二极检波部分短路接地,免除了收音部分对播放唱片或录音时的干扰。开关E上连有唱片输入插口J2和1:3降压变压器T3(即普通低频变压器,把初、次级线圈反接),T3再接到插口J3,是专供放映电影时,接到放映队扩音机的喇叭线上进行电影录音。C38、R35是低放级的音调控制器。
有时候,在进行广播、放唱片或电影录音时需要进行解说,因此另外用两只6C6管组成一个语言放大器接在56管的栅极上,同时它也是录音机放音时的前置放大级。录放开关B有三个位置,即录音、放音和录音头输出。图中B是表示在录音时的位置,这时红色指示灯亮,第二位置是放音,绿灯亮,在第三位置时录音头接通输出插口J5,全机高压又被开关B切断,淡绿灯亮。在倒线时,开关B必须放在放音位置,否则倒线时会把已录好的声音抹去。末级强放管6F6输出经开关SW3接到喇叭或假负荷L上,作语言录音时,SW3应接假负荷L,防止喇叭回授引起干扰。录音信号由6F6输出经C14和并联的C37、R32输入录音头R的录音线圈。交流电压表M可以测量电源电压和T4输出的音频电压,由开关D控制。上面机件的组成部分和一般的收、扩音机区别不大,可以利用原有的机件加以改装。图中的6L6G是专供录音机抹音用的超音频振荡器,频率约30千周。由负荷线圈L4输出供给录音头R的抹音线圈。全机高压由5U4管供给,电动机用的110伏电源由电源变压器T5初级中心抽头接出。
2.调整和检查收音和扩音部分机件的调整和检查和一般的收、扩音机一样*,这里不再重复。只要接线牢固,布线整齐便于检查就可以了。超音频振荡器在无负荷时,L4输出端电压为6-6.5伏,接用录音头后为4.8—5伏。用6.3伏小灯泡两只并联到L4上时,如能发白光表示工作正常。L4接地线要粗,并直接接到插座J6的8脚,效果就好些。各部分机件调整好后,用耳机接到插座J6的6、8两脚,打开收音机或播放唱片,如声音振耳、清晰,就可以进行录音。把J6和J7插入J6、J7,开关B扳到录音、放音位置试行录音或放音。常有的故障如下:甲、声音含糊不清:可能是录音头质量不好,录音偏压没有或过低,偏压线圈短路或断线,录音头间隙不准确(正常间隙约0.02公厘),钢丝没有拉紧,输入信号太强。乙、声音抖动或音调太粗:录音头不清洁,机械传动部分不稳定,录音头位置安装不对,使钢丝没有压紧在间隙里面。丙、声音不能抹去:无超音频电压或抹音线圈损坏。
3.应用零件各种零件数据已在图1中注明,由于我们对录音头缺乏制作经验,所以购用上海伟华录音器材厂的产品。6L6G振荡回路中的C27、C28要选用云母绝缘的,否则漏电大,容易发生高热使振荡减弱或停止。如果买不到8刀3掷开关B,可以用两只4刀3掷开关,把它们的旋轴连起来代替。这个开关上的接线照图1中B1、 B2分开表示的方法,使它们尽量分开,这样可以避免干扰。超音频振荡器线圈的绕法如下:用0.32公厘直径的漆包线在25公厘直径的胶木筒上乱绕900圈作L3,从下往上数230圈处抽头,线成后长约38公厘。L4用0.45分厘直径的漆包线在L3外绕40—45圈,两圈中间垫一层绝缘布。
各零件的排例见图2、图3(待续)
 
 
 
(北京机器制造学校陈重午曹雅儒 傅文耀 龚江明)
 
文章:youk [1970/01/01 19:07]
评论

粤ICP备05077917号